產品中心
新聞動態
聯系我們
郵箱:9021988@qq.com
手機:13710393926
電話:020-85873389
地址:廣東省廣州市番禺區南村鎮樟邊工業園
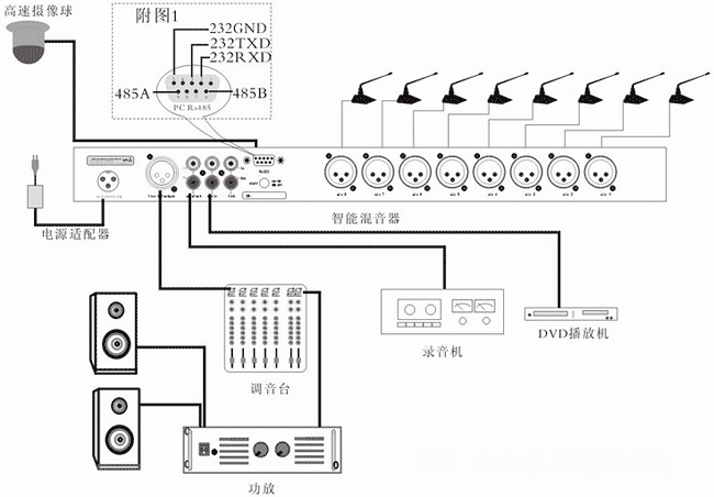
MX810V 八路攝像跟蹤智能混音器
類別:智能混音器

MX810V攝像跟蹤智能混音器(正面)

MX810V攝像跟蹤智能混音器(背面)
產品名稱:MX810V攝像跟蹤智能混音器
八路智能移頻器適應于會議室、多功能廳、報告會等場合;8路智能混音,聲控門自動開啟;內置MCU,三種發言模式,自動NOMA功能, 發言攝像跟蹤功能,采用進口最新寬頻響線路,人聲表現力好。。八路智能移頻器具有極高的信噪比,音質清晰自然,其內置的大容量微電腦使會議的過程控制更加流暢。可實現任意優先功能, 由于其有良好的擴展性,用戶可根據麥克風需要采取多臺主機串聯的方式,并且每臺的功能設置不變。 內置壓限器、均衡器、數字反饋抑制器(可裝)功能,可防止因開啟話筒數量多而引起反饋。本產品是數字法庭、會議室的高性價比選擇。
產品信息:
MX810: 功能包含8路智能混音、均衡、自動壓限、幻象電源,支持中控;MX810V:功能包含8路智能混音、均衡、自動壓限、幻象電源,支持中控,并可直接連接攝像頭攝像跟蹤。
一、產品功能特點:
1、本機帶八通道平衡輸入,可連接麥克風輸入。2、本機內置48V幻象電源,后面板帶總幻象開關,帶打開機殼可控制獨立每通道48V幻象電源開關,方便連接各種麥克風。
3、本機具有高、低音調節和增益調整功能。
4、每輸入通道帶自動聲控門,聲音閘門動作電平通過MANU調整,自動開啟只有信號輸入聲道。
5、自動壓限器功能:本機帶自動自動壓限器,通過COMPRESS調整總輸出電平。在多話筒同時使用時, 可防止因整體系統的增益上升,而產生回授。
6、反饋抑制功能:本機內置數字移頻器,移頻數6HZ,保真度高,反饋抑制效果好,通過控制“SHIFT/BYPASS”切換。(移頻器該項可加,也可不加)
7、內置微電腦,可通過前面板的DIP開關設置任意優先功能,優先數量不限;當DIP全部于OFF時,為自由發言模式,10路話筒可任意發言;當某位DIP設置為ON時,當該話筒啟動時,其他話筒發言電平自動衰減-10DB。
8、MX810最多可以串接10臺,組成80支麥克風會議系統。
9、另設一組輔助輸入,可用于背景音樂輸入
10、本機帶平衡輸出和一組輔助輸出等。
11、支持PELCO協議和SONY VISCA協議直接攝像聯動,支持EVI-D70P球機,可連接中控。
系統連接圖

攝像跟蹤軟件模塊

混音器控制軟件模塊

系統連接圖
- 上一篇:沒有了!
- 下一篇:MX1010V十路攝像跟蹤智能混音器
相關產品
